2021. 9. 24. 14:56ㆍ전기공부/시퀀스
10. Y-△(와이델타) 기동 시퀀스 회로 - 전동기 기동 회로
유도전동기의 와이델타 기동은 전동기 파트에서 공부해보았다.
14. 유도전동기 기동법 (1)Y-△(와이델타) 기동법 (tistory.com)
14. 유도전동기 기동법 (1)Y-△(와이델타) 기동법
14. 유도전동기 Y-△(와이델타) 기동법에 대해 알아보자. 농형 유도전동기는 권선형 유도전동기와는 다르게 외부저항을 연결해 줄 수 없는 구조로 되어있다. 그래서 '기동법'을 사용해야 한다. 기
yyxx.tistory.com
와이델타 기동을 시퀀스 회로로 그려보고 어떻게 동작하는지 확인해보자.
1. 와이델타 기동이란?
2. 와이델타 기동 기본 구조
3. 와이델타 기동 시퀀스 회로
1. 와이델타 기동이란?
와이델타 기동은 유도전동기에서 사용하는 기동법이다.
전동기를 기동 시작할 때는 Y결선으로 기동하다가 모터가 정격속도 근처에 도달하면 △결선으로 기동한다.

이렇게 기동하는 이유는 간단하다. 기동전류를 줄이기 위해서이다.
전동기 기동시작시에 5~7배의 큰 과전류가 흐르기 때문에 기동전류를 줄여서 전동기를 보호할 필요가 있다.
Y결선은 상전압과 선간전압이 다르다. 상전압이 선간접압의 1/√3 배이다.

△결선은 상전압과 선간전압이 같다.

전동기 기동시에 Y결선으로 기동하게 되면 전동기에 걸리는 전압은 상전압으로 선간전압의 1/√3 배이다.
그러면 1/3배의 기동전류, 기동토크를 얻게 된다.
이후 정격속도에 가까워져서 스위칭하여 △결선으로 기동하게 되면 선간전압이 상전압에 그대로 걸리게 된다.
이런 특징을 이용하여 Y결선 -> △결선으로 스위칭 하여 전동기 기동시작시의 전류를 줄이는 방법이다.
관련 내용은 앞에서 공부해보았다.
8. 변압기 Y - △(와이델타) 결선/ 1,2차측 선간전압 위상 30도 차이 확인하기 (tistory.com)
8. 변압기 Y - △(와이델타) 결선/ 1,2차측 선간전압 위상 30도 차이 확인하기
8. 변압기 Y - △(와이델타) 결선/ 1,2차측 선간전압 위상 30도 차이 확인하기 1. Y - △(와이델타) 결선해보기 2. Y - △(와이델타)결선 변압기 1차, 2차측 선간전압의 위상 차이가 30º인지 페이저해석
yyxx.tistory.com
14. 유도전동기 기동법 (1)Y-△(와이델타) 기동법 (tistory.com)
14. 유도전동기 기동법 (1)Y-△(와이델타) 기동법
14. 유도전동기 Y-△(와이델타) 기동법에 대해 알아보자. 농형 유도전동기는 권선형 유도전동기와는 다르게 외부저항을 연결해 줄 수 없는 구조로 되어있다. 그래서 '기동법'을 사용해야 한다. 기
yyxx.tistory.com
2. 와이델타 기동 기본 구조
모터를 와이텔타(Y-△) 기동하기 위해서는 MC(전자접촉기)를 이용하면 된다.
와이델타 기동 회로의 기본 구조는 아래와 같다.

처음 기동시작할 때는 MC(Y)를 닫아서 Y결선으로 기동하다가

기동전류가 안정적이게 되면 MC(△)를 닫아서 △결선으로 바꿔서 운전한다.

이때 주의할 점은 MC(Y)와 MC(△)가 동시에 닫히면 단락사고이므로 인터록을 넣어줘야 한다.
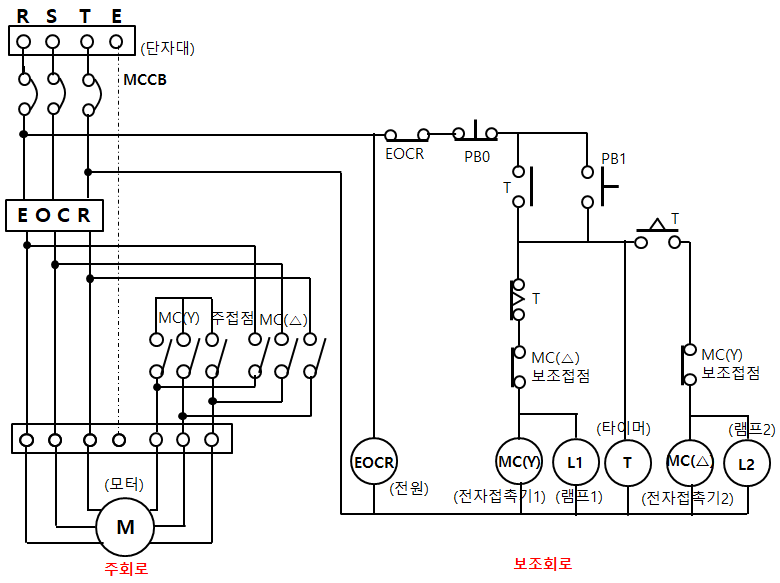
3. 와이델타 기동 시퀀스 회로
와이델타 기동 시퀀스 회로를 나타내면 아래와 같다.

MCCB를 ON 시키면 주회로 쪽은 MC(Y), MC(△) 주접점이 열려있기 때문에 모터가 동작하지 않는다.
보조회로 쪽은 EOCR 전원으로만 전류가 흐를 수 있고 타이머 접점(T)과 푸시버튼(PB1)은 열려있기 때문에 전류가 흐르지 못한다.
(1) 푸시버튼(PB1)을 눌러보자.

PB1을 손으로 눌렀다 떼면
①,②양쪽으로 전류가 흐르게 된다.
①길로 전류가 흘러서 MC(Y) 전자접촉기가 여자되고 L1 램프에 불이 들어온다.
MC(Y) 전자접촉기가 여자되면서 MC(Y) 보조접점이 열려서 MC(△)는 여자되지 않는 인터록 기능을한다.
MC(Y) 전자접촉기가 여자되면서 MC(Y) 주접점이 닫혀서 모터가 Y결선으로 기동시작한다.
②길로 전류가 흘러서 T 타이머가 여자된다.
타이머가 여자되면서 T접점이 붙고 PB1에서 손을 떼도 자기유지가 가능해진다.
(2) 타이머에 설정된 t초 후

타이머에 설정된 t초 후에
타이머(a)접점은 닫히는 동시에 타이머(b)접점은 열린다.
타이머(b)접점이 열리면서 MC(Y)전자접촉기 여자가 해제되고 L1이 소등된다.
MC(Y) 전자접촉기의 여자가 해제되면서 MC(Y) 보조접점이 닫힌다.
MC(Y) 전자접촉기의 여자가 해제되면서 MC(Y) 주접점이 열리면서 모터 Y결선 기동이 멈춘다.
동시에 타이머(a) 접점이 닫히면서 MC(△)전자접촉기가 여자되고 L2가 점등된다.
MC(△)전자접촉기가 여자되면서 MC(△)보조접점이 열려서 MC(Y)가 여자되지 않는 인터록 기능을 한다.
MC(△)전자접촉기가 여자되면서 MC(△)주접점이 닫혀서 모터가 △결선으로 기동한다.
이런 과정을 거쳐서 전동기의 Y-△(와이델타) 기동이 이루어진다.
EOCR에 과전류가 검출돼서 EOCR접점이 떨어지거나 PB0를 눌러서 보조회로 쪽 전류가 끊어지면
전동기 동작이 멈춘다.
'전기공부 > 시퀀스' 카테고리의 다른 글
| 9. 정역운전 시퀀스 회로 - 정방향,역방향 회전 (0) | 2021.09.13 |
|---|---|
| 8. 과전류 계전기(EOCR) 시퀀스 회로 - Electronic Over Current Relay (0) | 2021.09.05 |
| 7. 전자접촉기(MC) 시퀀스 회로 - Magnetic Contactor (0) | 2021.08.27 |
| 6. 후입력우선 시퀀스 회로 - 나중 입력이 우선인 회로 (0) | 2021.08.19 |
| 5. 인터록(Interlock) 시퀀스 회로 - 동시에 동작하지 못하게 하는 회로 (0) | 2021.08.12 |