2021. 9. 5. 18:05ㆍ전기공부/시퀀스
8. 과전류 계전기(EOCR) 시퀀스 회로 - Electronic Over Current Relay
앞에서 전자접촉기(MC) 시퀀스 회로에 대해 공부해보았다.
7. 전자접촉기(MC) 시퀀스 회로 - Magnetic Contactor (tistory.com)
7. 전자접촉기(MC) 시퀀스 회로 - Magnetic Contactor
7. 전자접촉기(MC) 시퀀스 회로 - Magnetic Contactor 전자접촉기(MC)는 앞에서 공부한 릴레이와 거의 유사하다. 릴레이처럼 코일에 의하여 접점의 개폐가 이루어지게 된다. https://yyxx.tistory.com/182 2. 릴..
yyxx.tistory.com
전자접촉기(MC) 접점을 전동기 앞단에 두면
MC접점을 ON/OFF 시킴에 따라서 전동기를 켰다 껐다 할 수 있었다.
그런데 전동기 기본 시퀀스 회로를 보면 전자접촉기(MC) 접점 이외에 EOCR이라는 것이 있다.

EOCR을 왜 설치하는지, 어떻게 동작하는지 알아보자.
1. EOCR이란?
2. EOCR 구조, 위치
3. EOCR 시퀀스 회로
1. EOCR이란?
EOCR은 Electronic Over Current Relay(전자식 과전류 릴레이)이다.
말 그대로 전류가 과하게 흘렀을 때 동작하는 릴레이이다.
그렇다면 왜 EOCR에서 과전류를 감지해야 할까?
만약 30A 정격전류를 가지고 있는 전동기가 있다고 해보자.
여기에 어느 순간 30A보다 훨씬 큰 100A의 전류가 흐르면 어떻게 될까?
-> 전동기가 타게 된다.
전동기의 코일은 전류에 버틸 수 있는 시간과 최대전류값이 정해져 있다.
그래서 그것보다 많은 전류가 흐르게 되면 전동기에 무리가 온다.
전동기에 무리가 와서 전동기 안에 있는 전선의 절연, 코일이 파괴되고 옆에 있는 선과 닿아서 전기적 단락 발생하면
아주 큰 전류가 흐르게 된다. 아주 큰 전류는 열을 발생시켜 전동기가 타게 된다.
그렇다면 어떤 경우에 전동기에 과전류가 흐르게 될까?
- 전동기가 무리를 하게 되는 경우 과전류가 흐르게 된다.
예를 들어 500kg를 태울 수 있는 엘리베이터가 있다고 해보자. 그런데 사람들이 아주 많이 타서 500kg을 넘어가게 되면 전동기가 무리를 하게 된다. 그래서 엘리베이터에서 기준 인원을 초과하는 경우 경보음이 발생하게 된다.
이러한 이유에서 전동기 앞에 EOCR을 설치해서 과전류가 발생했음을 감지할 필요가 있다.
2. EOCR 구조, 위치
EOCR은 관통형으로 되어 있다. 즉 전선이 통과할 수 있게 비어있다.

위의 사진을 보면 위쪽에 네모난 구멍 두 개를 볼 수 있다. 이 부분으로 전선을 통과시키면
EOCR이 전선에 얼마나 전류가 흘렀는지 감지할 수 있다.
앞의 동그란 조작버튼을 통해서 전동기의 정격값에 맞게 전류값, 시간을 조절할 수 있다.
EOCR은 보통 MC주접점 앞단 혹은 뒤에 설치하여 전동기에 과전류가 흐르는지 판단한다.

회로에서 위쪽에 달려있는 MCCB(Molded Case Circuit Breaker) - 배선용 차단기는 개폐 역할, 단락 됐을 때 보호 역할만 한다. 정격차단 용량, 정격전류가 정해져 있기 때문에 미세한 조절이 불가하다. 그래서 원하는 과전류 값을 설정할 수 있는 EOCR은 필수적이다.
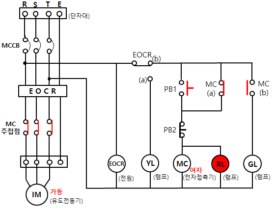
3. EOCR 시퀀스 회로
전동기 구동 시퀀스 회로를 그려보고
과전류가 흐르기 전, 흐른 후에 EOCR 시퀀스 회로가 어떻게 동작하는지 확인해보자.

전동기 구동 회로에서 MCCB와 MC주접점 사에이 EOCR을 위치시켰다.
1. 배선용 차단기(MCCB) ON

배선용 차단기를 ON하게 되면
주회로의 RST상 전원이 내려온다. MC주접점이 열려있기 때문에 주회로 아래로는 전류가 흐르지 못하고 보조회로로 전류가 흐른다.
보조회로의 EOCR(전원)측으로 내려가서 EOCR에 전원공급이 돼서 EOCR이 전류를 감지할 수 있는 상태가 된다.
PB1과 MC(a)는 열려있기 때문에 이 쪽으로는 전류가 흐르지 못하고 MC(b)는 닫혀있으므로 녹색램프(GL)가 점등된다.
(여기서는 전동기가 멈춰있는 상태를 표시하기 때문에 GL을 운전정지등으로 볼 수 있다.)
2. 푸시버튼(PB1) ON

푸시버튼(PB1)을 손으로 눌렀다 떼면
전자접촉기(MC)가 여자되고 빨간램프(RL)가 점등된다.
전자접촉기(MC)가 여자되면서 MC(a)가 닫혀서 PB1에서 손을 떼도 자기여자가 가능해진다.
전자접촉기(MC)가 여자되면서 MC(b)가 열려서 녹색램프(GL)가 소등된다.
전자접촉기(MC)가 여자되면서 MC주접접이 닫혀서 유도전동기(IM)가 가동된다.
유도전동기로 흐르는 전류를 주회로의 EOCR에서 감지하게 된다.
3. EOCR 과전류 검출 -> 유도전동기 정지

어떤 이유에서 전동기가 무리를 하게 되면서 과전류가 흘렀다.
EOCR에서 전동기 과전류를 검출하면
보조회로에서 EOCR 접점이 (b)에서 (a)로 이동한다.
(a)쪽에 연결되어 있는 노란램프(YL)가 점등된다.
(b)쪽으로는 전류가 흐르지 못하게 되면서
전자접촉기(MC)의 여자가 해제되고 빨간램프(RL)가 꺼진다.
전자접촉기(MC)의 여자가 해제됨에 따라서 주회로의 MC주접점이 끊어져 유도전동기(IM)이 정지한다.
전자접촉기(MC)의 여자가 해제됨에 따라서 MC(a)와 MC(b)가 원상태로 복귀한다.
이런 과정을 거쳐 EOCR이 과전류를 검출하고 전동기를 정지시킨다.
원래의 상태로 복귀하기 위해서는 EOCR의 리셋 버튼을 눌러줘야 EOCR(a)접점이 다시 (b)접점으로 복귀한다.
'전기공부 > 시퀀스' 카테고리의 다른 글
| 10. Y-△(와이델타) 기동 시퀀스 회로 - 전동기 기동 회로 (0) | 2021.09.24 |
|---|---|
| 9. 정역운전 시퀀스 회로 - 정방향,역방향 회전 (0) | 2021.09.13 |
| 7. 전자접촉기(MC) 시퀀스 회로 - Magnetic Contactor (0) | 2021.08.27 |
| 6. 후입력우선 시퀀스 회로 - 나중 입력이 우선인 회로 (0) | 2021.08.19 |
| 5. 인터록(Interlock) 시퀀스 회로 - 동시에 동작하지 못하게 하는 회로 (0) | 2021.08.12 |