2021. 8. 27. 17:04ㆍ전기공부/시퀀스
7. 전자접촉기(MC) 시퀀스 회로 - Magnetic Contactor
전자접촉기(MC)는 앞에서 공부한 릴레이와 거의 유사하다.

릴레이처럼 코일에 의하여 접점의 개폐가 이루어지게 된다.
https://yyxx.tistory.com/182
2. 릴레이(Relay)와 자기유지 시퀀스 회로
2. 릴레이(Relay)와 자기유지 시퀀스 회로 릴레이(Relay)에 대해 알아보고 릴레이를 이용한 자기유지회로를 공부해보자. 1. 릴레이(Relay)란? 2. 자기유지회로(self hold circuit) 1. 릴레이(Relay)란? 릴레..
yyxx.tistory.com
그런데 전자접촉기(MC)는 릴레이보다 버틸 수 있는 전류가 크다.
릴레이의 정격전류가 10A라고 적혀져있다면 10A보다 큰 전류가 흐를 때 릴레이는 손상을 입게 된다.
그래서 5~80A의 큰 전류를 사용하는 히터나 전동기 부하가 연결되어 있는 경우 릴레이를 사용할 수 없다,
이때 릴레이 역할을 대신해 줄 수 있는 것이 전자접촉기(MC)이다.
릴레이와 마찬가지로
푸시버튼(PB)을 눌러서 전자접촉기(MC)의 코일이 여자되면 MC접점이 닫힌다.

전자접촉기(Magentic Contactor)와 전자접촉기(MC) 시퀀스 회로에 대해 알아보자.
1. 전자접촉기(MC)
2. 전자접촉기 시퀀스 회로
1. 전자접촉기(MC)
전자접촉기는 아래와 같이 구성되어 있다.

(1) 전자접촉기 전원

전자접촉기의 A1, A2 두 단자에 전원을 넣게 되면 전자접촉기는 여자된다.(올라와 있던 주황색이 아래로 내려간다.)
평소 떨어져 있던 위쪽 단자와 아래쪽 단자는 전자접촉기가 여자됨에 따라 연결되게 된다.
전원을 꼭 A1, A2에만 넣을 필요는 없다. A3, A4에 전원을 넣어도 똑같이 동작한다.

또한 A1,A3가 연결되어 있고 A2,A4가 연결되어 있는 구조이므로 (A1,A4) 또는 (A2, A3) 대각선으로 전원을 넣어도 된다.
(2) 전자접촉기 주접점

전자접촉기가 여자되어 주황색이 아래로 내려가게 되면
떨어져있던 위쪽과 아래쪽 주접점은 연결되게 된다.
(3) 전자접촉기 보조접점
전자접촉기 보조접점을 자세히 보면 NC, NO라고 쓰여있다.

NC는 Normal Close로 평소에 닫혀있는 상태이다. 즉 평소에는 연결되어 있다.
NO는 Normal Open으로 평소에 열려있는 상태이다. 즉 평소에 끊겨 있다.
그러므로 NC는 b접점이고 NO는 a접점이다.
보조접점 NC는 평소 연결되어 있다가 전원이 투입되면 끊어지는 모습을 볼 수 있고
보조접점 NO는 평소에 끊어져 있다가 전원이 투입되면 연결되는 모습을 볼 수 있다.

2. 전자접촉기 시퀀스 회로
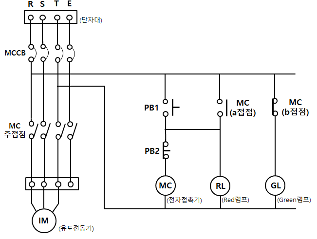
그러면 전자접촉기가 포함된 시퀀스 회로를 그려보자.

(※접지(E) Line MCCB, MC 접점 삭제 필요)
가장 상단의 단자대를 통해 전원이 들어온다. 3상 3선식으로 RSTE로 구성되어 있다.
유도전동기와 단자대 사이에는 배선용 차단기(MCCB)와 MC주접점이 있다.
※배선용 차단기 (Molded case circuit breaker) : 과부하 및 단락보호를 겸한 차단기로써, 몰드 케이스 내에 수용되어 있다. 배선용 차단기는 교류 600V 이하 또는 직류 750V 이하의 저압 옥내전압의 보호에 사용되는 몰드 케이스 차단기를 말하며, 일반적으로 NFB의 명칭으로 호칭되기도 한다.
이 시퀀스 회로가 어떻게 동작하는지 확인해보자.
(1) 배선용차단기(MCCB) ON

(※접지(E) Line MCCB, MC 접점 삭제 필요)
배선용 차단기를 ON하게 되면 RST상 전원이 쭉 내려온다. MC 주접점은 현재 OPEN 상태로 통과하지 못한다.
그러면 오른쪽 길로 빠지는데 여기서 MC(b접점)만 닫혀있으므로 Green 램프가 점등된다.
(2) PB1 누르기

(※접지(E) Line MCCB, MC 접점 삭제 필요)
이 상태에서 PB1버튼을 눌렀다 떼면 MC(전자접촉기)가 여자되고 Red램프에 불이 들어온다.
MC가 여자됨에 따라 MC(a접점)이 닫혀서 PB1에서 손을 떼도 자기유지가 된다.
MC가 여자됨에 따라 MC(b접점)이 열려서 Green Lamp가 소등된다.
MC가 여자됨에 따라 MC(주접점)이 닫히면서 유도전동기가 가동된다.
- Green램프는 정지표시등, Red램프는 운전표시등으로 사용한다.
(3) PB2를 누르기
MC(전자접촉기)가 소자되면서 유도전동기가 동작을 멈추고 초기상태로 돌아간다.
'전기공부 > 시퀀스' 카테고리의 다른 글
| 9. 정역운전 시퀀스 회로 - 정방향,역방향 회전 (0) | 2021.09.13 |
|---|---|
| 8. 과전류 계전기(EOCR) 시퀀스 회로 - Electronic Over Current Relay (0) | 2021.09.05 |
| 6. 후입력우선 시퀀스 회로 - 나중 입력이 우선인 회로 (0) | 2021.08.19 |
| 5. 인터록(Interlock) 시퀀스 회로 - 동시에 동작하지 못하게 하는 회로 (0) | 2021.08.12 |
| 4. 플리커(Flicker) 시퀀스 회로 - 깜빡이는 회로 (0) | 2021.08.04 |