2020. 5. 27. 17:19ㆍ전기공부/변압기
8. 변압기 Y - △(와이델타) 결선/ 1,2차측 선간전압 위상 30도 차이 확인하기
1. Y - △(와이델타) 결선해보기
2. Y - △(와이델타)결선 변압기 1차, 2차측 선간전압의 위상 차이가 30º인지 페이저해석을 통해 확인해보기
1. Y - △(와이델타) 결선하기
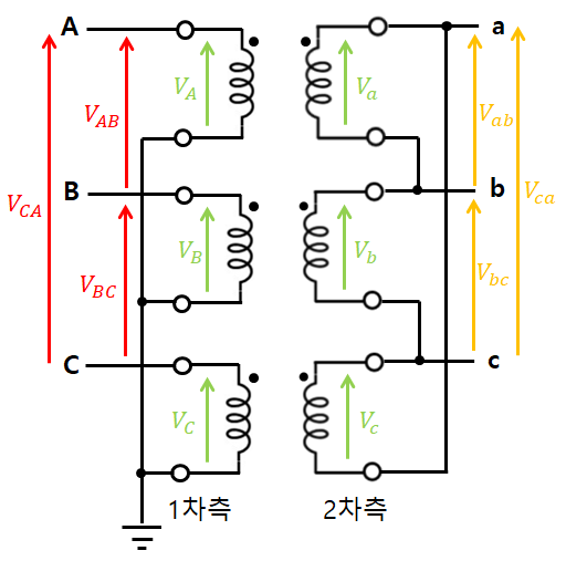
변압기 결선에서 많이 쓰이는 Y - △(와이델타) 결선을 해보자.

변압기 결선 중 왼쪽 그림은 Y(와이)결선, 오른쪽 그림은 △(델타)결선이다.
위의 와이결선은 중섬점을 접지하는 형태로 되어 있고 델타결선은 그렇지 못한 형태이다.
둘 다 감극성, 가극성을 표시하기 위한 점이 찍혀져 있는 상태이다.
Y - △(와이델타) 결선하는 방법은 아래와 같은 순서를 따른다.
1.
변압기 1차측을 Y결선하기 위해서 A,B,C 상을 빼낸다.
발전기에서 만들어진 3상 교류전류가 A,B,C 각각 한상씩 들어오게 된다. 점이 찍혀져있는 부분이 각 전류가 들어오는 A,B,C 상이므로 이쪽 선을 빼낸다.

2.
Y결선에서 중성점을 접지시킨다.
점이 없는 쪽이 접지된 곳이므로 점이 없는 부분을 접지로 빼낸다. (Y결선 완료.)

3.
변압기 2차측을 △결선하기 위해서 a, b, c 상을 빼준다.

4.
△결선에서 점이 없는 부분을 연결한다.
△결선에서 (b상의 점이 있는 부분이 a상의 점이 없는 부분을 따라가는 형태) (c상의 점이 있는 부분이 b상의 점이 없는 부분을 따라가는 형태) (a상의 점이 있는 부분이 c상의 점이 없는 부분을 따라가는 형태) 이므로 결선할 때도 같은 방식으로 해주면 된다. △결선에서 점 위치에 따라서 결선방식이 달라질 수 있다. (△결선 완료.)

5.
변압기 Y - △(와이델타) 결선 완료

2. Y - △(와이델타) 결선은 1차, 2차측 선간전압의 위상차이가 30º 이다.
실제로 그러한가 페이저 해석을 통해 확인해보자.
1.
우선 결선한 변압기 Y - △(와이델타)를 통해 선간전압의 위치를 확인해보자.
1차측은 상전압이 V(A),V(B),V(C)가 되고 선간전압이 V(AB),V(BC),V(CA)가 된다.
2차측은 선간전압이 V(ab),V(bc),V(ca)가 된다. 2차측은 1차측의 V(A),V(B),V(C)가 V(a),V(b),V(c)로 그대로 넘어오게 되고 이 둘은 동상이다. 그리고 V(a),V(b),V(c) 자체가 선간전압이므로 V(ab),V(bc),V(ca)와 같다.

2.
1차측의 선간전압 V(AB),V(BC),V(CA)와 2차측의 선간전압 V(ab),V(bc),V(ca)를 페이저 상에서 비교하여 선간전압이 실제로 30º 차이가 나는지 확인한다.
1차측의 상전압 V(A),V(B),V(C)은 발전기에서 들어오는 전압으로 발전기에서 만들어진 3상 교류전류는 120º 위상차이를 가지므로 페이저도에서 120º 간격의 화살표로 표현할 수 있다. 이 때 선간전압은 각화살표의 끝을 이으면 표현할 수 있다. 선간전압 V(AB)는 상전압 V(A)와 V(B) 화살표 끝을 이으면 표현가능하다.

2차측 델타결선의 선간전압은 1차측이 그대로 넘어가므로 1차측과 동상이다. 화살표 페이저로 표현하면 삼각형 형태이다.

1차측 선간전압과 2차측 선간전압을 비교하기 위해 두 페이저도를 합쳐보았다. V(ab)를 V(AB) 쪽으로 내려서 확인해보면 위상차이가 30º 나는 것을 확인할 수 있다. 페이저도에서 각도는 반시계방향으로 증가하므로 V(AB)가 V(ab) 보다 위상이 30º 앞섬을 알 수 있다.

'전기공부 > 변압기' 카테고리의 다른 글
| 10. 변압기의 여자전류는 정현파가 아니다. (0) | 2020.06.01 |
|---|---|
| 9. 변압기의 각변위에 대해 알아보자. (0) | 2020.05.29 |
| 7. 변압기의 %임피던스(%Z)에 대해 알아보자. (0) | 2020.05.24 |
| 6. 변압기의 무부하시험(개방시험)과 단락시험 (0) | 2020.05.22 |
| 5. 변압기의 등가회로를 근사등가회로로 표현해보자. (0) | 2020.05.20 |