2020. 5. 12. 19:22ㆍ전기공부/변압기
2. 변압기의 전류,자속 관계 (부하운전상태)
1. 부하운전상태에서의 변압기의 원리
2. 전류 I1, I2 과 자속 Φ1, Φ2의 관계
3. 1차측과 2차측의 코일턴수가 다르다면(N1 ≠ N2) 부하전류 I1의 크기는?
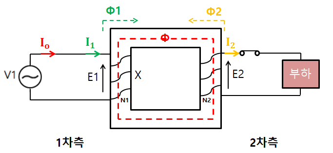
1. 부하운전상태에서의 변압기의 원리

V1(전압원)에서 전원을 공급하게 되면 철심을 자화시키기 위한 여자전류(Io)가 흐른다.
(이 때 여자전류(Io)는 옴의법칙 Io = V1/X 에 의해 결정된다. V1/X에 의해 결정 되므로 2차측의 부하의 크기에는 영향을 받지 않는다.)
(여자전류는 자화전류+ 철손전류를 고려하여 설계된다. 자화전류는 변압기의 철심을 자화시키기 위한 전류, 철손전류는 히스테리시스손을 보상하기 위한 전류이다.)
여자전류(Io)가 흐르면서 철심에 주자속(Φ)이 흐르게 된다. 그리고 1차측 코일에는 키르히호프 전압법칙(V1 + E1 =0)에 의해 E1이 생성된다. 또한 주자속(Φ)이 2차측 코일을 지나면서 E2가 생성된다.

2차측 스위치가 닫히면서 2차측에 부하전류(I2)가 흐르기 시작한다. 부하전류가(I2)가 생성되면서 2차측 코일에서 새로운 자속(Φ2)이 생성된다.

2차측에서 I2에 의해 생긴 자속(Φ2)이 1차측 코일로 가게 되면 1차측 코일은 관성에 의해 원래 가지고 있던 주자속(Φ)을 유지하려고 한다. 그러므로 Φ2를 없애기 위해 Φ2와 같은 크기지만 반대방향인 Φ1을 생성한다. 1차측 코일에 Φ1이 생성됨에 따라 1차측 도선에 부하전류(I1)이 생성된다. 그러면 철심에서는 Φ1, Φ2가 상쇄돼서 없어지고 원래의 주자속(Φ)만 남게 된다.
2. 전류 I1, I2 과 자속 Φ1, Φ2의 관계
I2가 생성되면서 동시에 Φ2를 생성하므로 I2와 Φ2는 동상이다.
Φ1이 생성되면서 동시에 I1을 생성하므로 I1과 Φ1은 동상이다.
Φ1는 코일의 관성에 의해 Φ2를 없애는 방향으로 생성되므로 Φ1과 Φ2의 크기는 같고 위상은 180도 차이가 난다.
1차측과 2차측의 코일 턴수가 같다면(N1 = N2) 1차측 부하전류(I1)은 2차측 부하전류(I2)를 따라가게 된다. 그러므로 I1과 I2의 크기는 같다.
3. 1차측과 2차측의 코일턴수가 다르다면(N1 ≠ N2) 부하전류 I1의 크기는?
1차측 코일턴수 N1 = 10, 2차측 코일턴수 N2 = 1 이고 I2에 10A가 흐르면 I1의 크기는?
-> N1이 N2에비해 10배 더 많이 코일이 감겨져 있으므로 1차측 부하전류I1이 1A만 흘러도 Φ2 상쇄가 가능하다.
N1 x I1 = N2 x I2 로 표현가능하다.
'전기공부 > 변압기' 카테고리의 다른 글
| 6. 변압기의 무부하시험(개방시험)과 단락시험 (0) | 2020.05.22 |
|---|---|
| 5. 변압기의 등가회로를 근사등가회로로 표현해보자. (0) | 2020.05.20 |
| 4. 변압기를 등가회로로 표현하면? (0) | 2020.05.18 |
| 3. 변류기(CT) 부하 운전 중에 CT 2차측을 개방하면? (2) | 2020.05.15 |
| 1. 변압기의 원리, 감극성 가극성 (1) | 2020.03.24 |